一、目的:掌握極軸、對象捕捉、對象追蹤來實現視圖間長對正、高平齊。
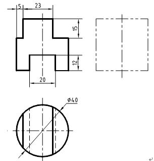
二、內容:繪制如圖所示的立體三視圖。

三、重難點提示:
1 .夾點編輯、極軸追蹤的操作。
夾點編輯:首先選擇被編輯對象,出現藍色句炳,左鍵點擊其中一藍色句炳,使藍色句炳變紅,可進行拉伸、移動、旋轉、鏡像操作。
2.對于三視圖應多采用對象追蹤來繪制,畫長對正、高平齊、寬相等很容易且簡單,少用偏移命令,多用直線、矩形和移動命令。
四、步驟:
1 .設置繪圖環境
( 1 )建立新文件:運行 中望CAD 軟件,設置繪圖區域: A4 ( 297 × 210 )。
( 2 )設置圖層(包括線型、顏色、線寬)
層名 顏色 線型 線寬
粗實線 白色 實線 (CONTINUOUS) 0.5mm
細實線 白色 實線 (CONTINUOUS) 0.25mm
中心線 紅色 點畫線 (CENTER) 0.25mm
虛線 紫色 虛線( DASHED ) 0.25mm
單擊“格式”→“線型”→“線型管理器”的全局比例因子設為 0.5 。
2 .布置視圖,完成完整圓柱體的三視圖
(1)按下狀態欄上的“極軸”、“對象捕捉”、“對象追蹤”按鈕。
(2)鼠標右擊狀態欄中“極軸”按鈕,選“設置…”選項,在極軸追蹤角設置里選擇“ 45 °”,在“對象捕捉追蹤設置”里選擇“沿所有極軸角設置追蹤”。
(3)調用“直線”、“圓”、“復制對象”命令并配合對象捕捉追蹤繪制完整圓柱體的三視圖。如圖 2-1 、 2-2 。
3.繪制圓柱體上部的缺口和下部的開槽。
關鍵操作:
調用直線命令,捕捉交點(不要單擊左鍵),向左移動鼠標輸入距離(10)后,回車。如圖2-3。利用快速裁命令(Trim)即輸入“TR”回車二次,修剪圖形。如圖2-4。

4 .完成左視圖
關鍵操作:
單擊“直線”圖標,從俯視圖上直線與圓的交點出發,繪制輔助線與 45 °線相交,根據主視圖上切口和槽的深度,捕捉追蹤,實現高平齊,畫出切口與槽的左視圖。如圖 2-5 、 2-6 。
利用“擦除”命令,刪除多余的輔助線,保存文件為“立體三視圖 .dwg ”。

推薦閱讀:CAD培訓
· ZWorld2025中望全球生態大會成功舉辦:推動工業可持續創新2025-08-29
· “破壁壘,鑄未來”!中望全球生態大會信創專題論壇即將舉行2025-08-27
· ZWorld2025|共謀研發新范式:消費電子專題論壇即將舉行2025-08-27
· ZWorld2025|破解高效制造難題!中望全球生態大會機械設備行業論壇即將開啟2025-08-25
· 汽車零部件專題論壇邀您共謀破局之路2025-08-25
·? 破解提質增效難題!中望全球生態大會模具制造專題論壇即將舉辦2025-08-25
· ZWorld2025|產教協同創新論壇即將舉辦:共筑工業軟件人才培養新生態2025-08-23
· ZWorld2025|電力行業專題論壇即將舉辦:CAx+AI賦能數字化新紀元2025-08-23
·玩趣3D:如何應用中望3D,快速設計基站天線傳動螺桿?2022-02-10
·趣玩3D:使用中望3D設計車頂帳篷,為戶外休閑增添新裝備2021-11-25
·現代與歷史的碰撞:阿根廷學生應用中望3D,技術重現達·芬奇“飛碟”坦克原型2021-09-26
·我的珠寶人生:西班牙設計師用中望3D設計華美珠寶2021-09-26
·9個小妙招,切換至中望CAD竟可以如此順暢快速 2021-09-06
·原來插頭是這樣設計的,看完你學會了嗎?2021-09-06
·玩趣3D:如何巧用中望3D 2022新功能,設計專屬相機?2021-08-10
·如何使用中望3D 2022的CAM方案加工塑膠模具2021-06-24
·CAD如何設計太極2020-04-16
·CAD新建圖紙的視圖范圍不合適?2021-06-01
·CAD如何繪制中心軸線?2022-05-10
·CAD凍結圖層快捷鍵2020-04-22
·在CAD中鼠標滾輪如何使用2020-08-19
·CAD命令大全2017-09-18
·如何使用CAD進行多重塊的炸開操作2023-11-30
·CAD如何對圖塊進行修改?2024-05-17




